| |

iFix 爱修网

 找回密码
 注册

QQ登录

只需一步,快速开始

查看: 15479|回复: 22

RT809官方教程——2018迅维技术交流会--季春老师现场解读存储器(完)

  [复制链接]
发表于: 2018-1-19 09:13:18
| 显示全部楼层 |阅读模式
本帖最后由 shirleyhuang 于 2018-1-19 09:15 编辑


MCP存储器:Multi-Chip-Package

MCP存储器,MCP是在一个塑料封装外壳内,垂直堆叠大小不同的各类存储器或非存储器芯片,是一种一级单封装的混合技术,用此方法节约小巧印刷电路板PCB空间。

POS机中:MCP  = NAND + DDR RAM

手机中:  EMCP = EMMC + DDR RAM

UFS存储器:Universal FlashStorage

闪存的速度非常快,台式电脑和笔记本电脑上最新的闪存存储装置使用适当的接口后读写速度可以达到每秒约500MB。然而,对于智能手机、平板电脑、电子书阅读器等移动设备来说情况则完全不同,这些设备虽然同样使用闪存作为存储介质,但读取和写入速度无论如何都无法达到每秒500MB,在大部分移动设备上,闪存的速度甚至每秒只有约50MB,这是因为移动设备使用的闪存存储器不同于SATA接口的固态硬盘,而是嵌入式的多媒体存储卡(Embedded Multi Media Card,简称eMMC),它所使用的连接方式速度要慢很多。

图片1.png

2011年电子设备工程联合委员会(JointElectron Device En gineering Council,简称JEDEC)发布了第一代通用闪存存储(Universal Flash Storage,简称UFS)标准,希望能够替代eMMC。然而,第一代的UFS并不受欢迎,因为相对于不断更新换代的eMMC它似乎没有提供足够的优势。为此,JEDEC在2013年9月发布了新一代的通用闪存存储标准UFS 2.0。JEDEC采用了来自MIPI® 联盟的业界领先规范来建立互联层。UFS2.0版标准继续这一协作,引用了M-PHY® 3.0版规范与UniProSM 1.6版规范。

图片2.png

UFS结构图:

图片3.png

维修行业常用存储器:

手机:EMMC、UFS、24系列码片、25系列SPI闪存;

笔记本电脑: 24系列码片、 25系列SPI闪存、EC(KB90系列、IT85系列、NPCE系列、MEC系列等);

平板电视:EMMC、NAND、24系列用户存储器、25系列SPI闪存、39/49系列并行NOR闪存、单片机等;

汽车电子:EMMC、NAND、39/49系列并行NOR闪存、 29系列并行EEPROM、 25系列SPI闪存、95系列串行EEPROM、各种内置存储器的单片机等;

RT809系列编程器,专为以上行业应用而开发!

编程器按应用范围分:
1、专用编程器,比如PIC KIT3、RT809F编程器;
2、通用编程器,比如RT809H、西尔特SP6100;

编程器按驱动结构分:
1、简易编程器,无VCC/GND分组驱动,只能完成简单功能,针对入门级用户和业余玩家,售价一般不超过一百元;
2、40脚统计驱动,统计常用芯片的引脚分布,针对性的加入VCC/VPP/GND驱动电路,一般只用一颗单片机作为主控芯片,VCC/VPP供电只能选择3到5个固定数值,速度较慢,扩展性较差,售价200元左右;
3、48脚全驱动,每个引脚都可以作为VCC/VPP/GND驱动、上拉、下拉、读写IO,为了达到通用性和高速要求,采用USB2.0/3.0高速接口,使用MCU+FPGA作为主控,数字化程控电源,VCC/VPP电压精密可调,读写速度快,可扩展性好,售价800-3000元,比如我们的RT809H就是48脚全驱编程器中性价比最好的一款;
4、在48脚全驱的基础上,增加3到6倍,变成128到256脚全驱动,做成N组同时读写的量产型编程器,售价10000元左右;

RT809H编程器在开发过程中,获得了多项实用新型专利和发明专利,解决编程器行业的很多难点,下面给大家分享其中两项专利。

一、编程器高速IO与高压保护电路

背景技术
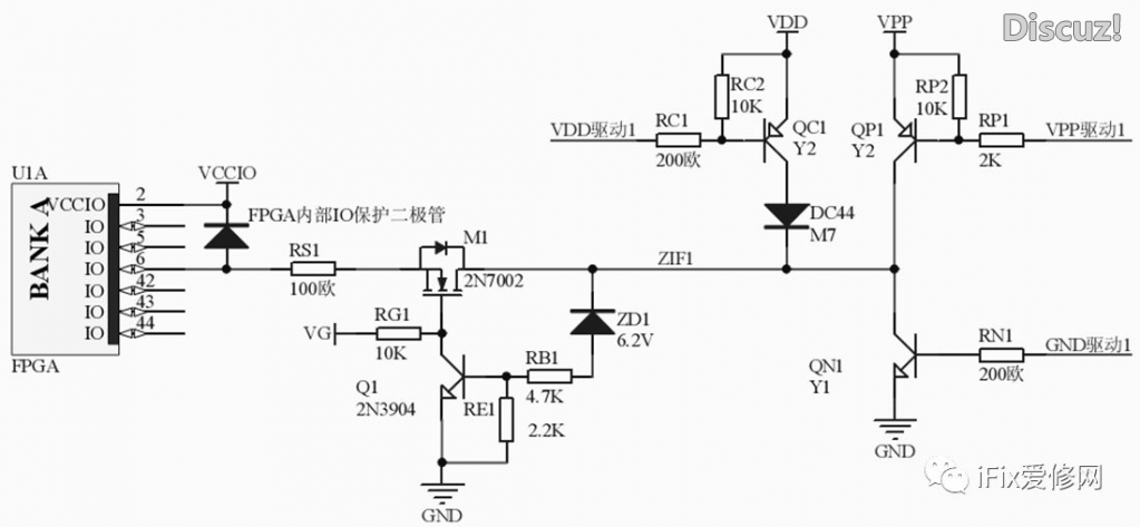
目前,其他公司的全驱通用编程器,所采用的IO驱动结构如下图所示(实际产品有48到144路相同的IO驱动电路),ZIF1是编程器锁紧座接口,接目标芯片的引脚,这些引脚的功能可以是通用IO,芯片供电VDD,芯片编程高压VPP或者电源GND,所以需要配上下图这样的电路来完成不同的功能。这种电路结构存在一个瓶颈,就是编程时IO的速度上不去,尤其是目标芯片内置弱上拉双向IO的数据总线,比如NAND闪存,读写速度很难超过1MB/S。另外VPP电路的功耗非常大,RS1必须使用大功率的电阻,发热量大。

图片4.png

具体原因如下:QC1/QP1/QN1这三个三极管的CE极之间都存在结间电容,不同型号的三极管,这个电容的容量在数pF到数十pF之间,这些结间电容与RS1构成了RC积分电路,致使高速IO信号波形出现严重失真,限制了编程器读写速度的提升。

如果要解决速度瓶颈,只有两个途径,一是降低三极管PN结电容,这个因半导体工艺的限制,目前很难做出PN结电容更小的三极管。

二是减小RS1的阻值,但这个电路中,RS1又作为VPP电压的限流电阻,保护FPGAIO不被烧坏,假设VPP=21.5V,VCCIO=3.3V,QP1导通,此时RS1两端压降为21.5-3.3-0.7=17.5V,RS1功耗为U2/R=0.93W,这个功耗相当大。如果将RS1减小到100欧,那么RS1的功耗将达到3.06W,很显然已经远远超过普通贴片电阻的最大功率了,整机的功耗也将非常大,所以想要提高速度,就必须解决VPP供电和RS1电阻的矛盾。

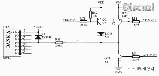
为解决这一问题,我们设计出下图所示的新型IO驱动电路

图片5.png

为解决速度与VPP的矛盾,加入了一组自动开关电路,VPP电压范围通常为DC9 - 24V,当VPP电压大于7V时,ZD1导通,三极管Q1导通,拉低场效应管M1的G极,M1关断,VPP电压只加到锁紧座上的芯片引脚,而与FPGA IO不通,也就不会有大电流流过RS1。

如果没有VPP电压或者VPP电压小于7V,ZD1截止,Q1截止,场效应管M1在VG +10V的驱动下完全导通,DS极直接相当于一根导线,可以通过双向信号,此时FPGA IO与ZIF1锁紧座上芯片IO之间只有一个100欧的小电阻(根据产品需要,可以将此电阻减小到数十欧,进一步提高速度),波形畸变更小,读写速度更快。使用此电路结构,我们的通用编程器产品的IO速度已经达到10MB/S,远远超过其他公司的同类产品。

而且因为VPP高压不会通过RS1加到VCCIO,RS1功耗很低,发热量小,采用0603封装的小电阻即可,同时整机功耗也大大降低,直接使用USB即可提供整机工作电流,而同类产品都需要额外的电源适配器。

本专利的有益效果是,使用此电路结构,我们的通用编程器产品速度快,成本低,发热量小,不需要外接电源适配器,可以为用户创造更多效益。

二、一种高精度宽范围的数调开关电源

背景技术
目前,其他公司的全驱通用编程器,为产生不同类型芯片所需要的VDD、VPP或者VXX电压,广泛采用34063升压电路,将DC12V升压到DC25V左右,然后由CPU编程DAC芯片,控制大功率线性稳压器降压的方式来产生精确的直流电压,同一个产品要使用三组这样的电路,不仅成本高昂,而且因为使用了大功率线性稳压器,导致电源效率极低(10%-40%),发热严重,整机功耗大,需要使用笨重的12V外接电源适配器。

本专利内容
本专利内容的目的在于提供一种高精度宽范围的数调开关电源,以解决上述背景技术中提出的问题。

下图为高精度宽范围的数调开关电源的电路图。
图片6.png


本专利内容的工作原理是:电路中的芯片U2、L1、L2、D1、C3、C2构成一组SPEIC电路,产生编程器所需的VDD/VPP或者VXX供电。此电路的特点是,输出电压可以大于、等于或小于输入电压,比如VIN=5V时,VDD可以是3.3V,5V或者12V。具体的电压值由以下公式得出:
VDD = (1.25-VDAC)*(R1/R2)+1.25;

这里的1.25V是U2内置基准电压数值。此公式关于输出电压的计算不受DC-DC电路拓扑结构影响。DC-DC拓扑结构,可以根据具体应用,选择BUCK、BOOST、SPEIC等拓扑结构。这里使用了即可升压也可降压的SPEIC拓扑结构。

VDAC是DAC芯片输出的模拟电压值,范围从0到1.25V之间,精度可以做到0.005V的步进值,VDAC越低,VDD电压越高。而VDAC电压值是由CPU总线控制的,所以此电路可以完全由软件来控制,精度极高,范围宽广。例如R1取值10K,R2取值1K,VDD变化范围为1.25V到13.75V,步进值0.05V。

与现有技术相比,本专利的有益效果是:本实用高精度宽范围的数调开关电源省去了发热严重的大功率线性稳压器,大幅度提升了电源效率,省去了外接的电源适配器,不仅为用户使用带来方便,而且降低了成本,提高了效益。

本次课程结束,谢谢大家!

关注iFix官方公众号:iFix_Aixiu, 选择爱修 技术无忧
微信扫一扫下方的二维码,关注iFix官方公众号,及时获取最新的精品维修教程!.jpg

回复

使用道具 举报

发表于: 2018-1-19 10:29:36
| 显示全部楼层
Thank you indeed for your application tutorial.
回复 支持 反对

使用道具 举报

发表于: 2018-1-19 14:30:28
| 显示全部楼层
多谢楼主分享的数据,论坛有你更精彩......下载学习
回复 支持 反对

使用道具 举报

发表于: 2018-1-20 16:15:54
| 显示全部楼层
精彩,好文章!!!!!!!!!!!!!!!!!!!!!!!!
回复 支持 反对

使用道具 举报

发表于: 2018-1-22 08:35:17
| 显示全部楼层
谢谢你的分享
回复 支持 反对

使用道具 举报

发表于: 2018-1-22 18:43:38
| 显示全部楼层
谢谢你的分享
回复 支持 反对

使用道具 举报

发表于: 2018-1-24 20:40:32
| 显示全部楼层
多谢楼主分享
回复 支持 反对

使用道具 举报

发表于: 2018-1-27 22:19:50
| 显示全部楼层
讲的挺好,谢谢
回复 支持 反对

使用道具 举报

发表于: 2018-2-6 18:46:47
| 显示全部楼层
Very good info Thank you
回复 支持 反对

使用道具 举报

发表于: 2018-2-13 22:40:17
| 显示全部楼层
Thank you again for reading lesson.
回复 支持 反对

使用道具 举报

您需要登录后才可以回帖 登录 | 注册

本版积分规则

QQ|||iFix 爱修网 ( 粤ICP备2021135374号 )

粤公网安备 44060602002064号

GMT+8, 2025-12-18 07:17 , Processed in 0.067289 sec., 12 queries .

Powered by Discuz! X3.4

Release 20191201, © 2001-2025 Comsenz Inc.

MultiLingual version, Rev. 850, © 2009-2025 codersclub.org

快速回复 返回顶部 返回列表