| |

iFix 爱修网

 找回密码
 注册

QQ登录

只需一步,快速开始

查看: 4211|回复: 6

iFix团队10月26号现场培训课程分享(六)

[复制链接]
发表于: 2018-1-9 10:09:48
| 显示全部楼层 |阅读模式
本帖最后由 shirleyhuang 于 2018-1-9 10:14 编辑

发出前面几篇文章后,iFix团队收获了很多小伙伴,也同时收获了赞许和鼓励,非常感谢大家的关心。本来在现场培训的时候对DDR这部分基本是略过的,但最近看到很多朋友对DDR部分的检修提出了一些疑问和需求,iFix君今天还是准备详细的把这部分补上。
图片1.png

通过前面几篇文章的铺垫,大家应该已经知道DDR部分在智能电视主板里的重要性,从理论上来讲,DDR涉及太多的知识,如果从维修角度来说,我们判断DDR故障后,基本流程为测量供电,测量通讯,更换DDR或主芯片,这么三个步骤,今天主要从维修角度来跟大家聊聊DDR的一些常识和维修手段。

DDR概念:中文全名为是多倍速率同步动态随机存储器,简称为DDR。现在DDR技术已经发展到了DDR4,不过目前为止电视机应用仍然为DDR1、DDR2、DDR3,智能主板已经全部采用DDR3,由于DDR总线走线数量多,速度快,操作复杂,给测试和分析带来了很大的挑战。

从表内参数可以看出DDR3有一个优势,不仅读取能力更强,还有更低的功耗,它的运行电压是1.5伏,低于DDR2内存芯片的1.8伏和DDR1内存芯片的2.5伏,功耗低,产生的热量少,运行也就更稳定。
图片2.png

我们下面再来看看DDR部分的工作必备条件:

1、供电和基准参考点
图片3.png

上图是MT5505方案的一个DDR部分供电简图,从上图可以看出,DDR供电不仅仅供给了主板上的每一片DDR,主芯片DDR部分也要有供电。同样每片DDR有两个基准参考点,主芯片部分有一个基准参考点,基准参考点电压都是从DDR供电分压而来,常见为DDR供电的一半。

有一部分朋友对为什么有这个基准参考点有一些疑惑,我这里给大家解释一下,DDR供电为1.5V,那么基准电压就是0.75V,在数字电路中数据交换是以“101010”的方式进行传输,在数据交换时,电压值高于0.75V就会被认为是“1”,低于0.75V的就会被认为是“0”。假如由于某个原因参考电压值发生了变化,通讯数据就可能被错误的识别,而造成DDR部分电路无法正常工作,所以说DDR的供电和基准参考点是重要的测试点之一。

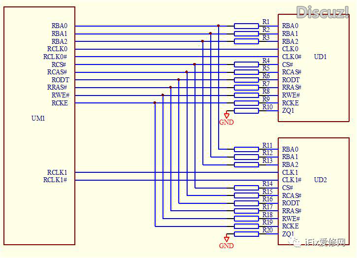
2、使能,片选,差分时钟,块控制,地址通讯,数据通讯等;
图片4.png
图片5.png
图片6.png
图片7.png

从上面四幅图可以看出,除了供电外,剩下的使能,片选,差分时钟,块控制,16路地址通讯,16路数据通讯等端口都是DDR与主芯片之间直接通讯的。在实际维修中,我们检查完供电正常后,主要就是测量这些通讯是否正常,测量通讯的过程中,也能基本判断故障部位。

iFix团队10月26号现场培训课程分享(三)一文中提到,在智能电视机中,DDR有用到2片,3片,4片,6片不等,维修过程中,必须了解DDR 在电路中的分工。由于主程序和引导程序位于不同的偏移地址,只有了解引导程序和主程序偏移地址在哪,再配合打印信息,才能快速的找到故障点。不同的芯片厂家,设计习惯都不大一样。我们要判断故障在哪一片DDR,首先通过打印信息结合芯片厂家设计习惯来判断大致故障部位,再通过测量锁定最终故障点

Mstar方案里,需分清BIST0、BIST1的位置,最新的MSD6A928、MSD6A938你还需分清BIST2的位置。

用乐视X50AIR的MSD6A918举例,下图是BIST0初始化失败,那么就需要检测主芯片左侧的DDR工作状态,供电,基准电压,通讯。
图片8.png

下图是BIST1初始化失败,那么就需要检测主芯片顶部的DDR工作状态,供电,基准电压,通讯。
图片9.png

锁定故障范围后,就需要测量相关工作条件,测量供电一般就在DDR芯片旁的贴片滤波电容处,基准参考点可以仔细看到DDR芯片旁边有两个分压电阻,有的在正面,有的在背面,找一找基本都可以轻松的找到。

测量通讯的时候,下图中用白色框画出来的点都需要进行测量,可以看到测量的点有的直接在通讯排阻上,有的直接测芯片旁边的孔,测量的时候用万用表二极管档,红笔接地,黑笔测量每个点,测量排阻时,测量靠近DDR芯片的一端,测量通讯过孔时需靠近最接近DDR根部的点。
图片10.png

在实际维修测量中,主芯片的测量值是低于DDR芯片的测量值。我们测量的标准也是参考附近测试点大多数测量值为标准,所以在测量过程中,如果测量值比参考值高或者低,那么就可以判断此路有故障,偏高常见为通讯过孔不良,偏低常见为芯片短路。

当然最佳的测量方法不是这样的,因为实际上DDR的走线,有的线路是没有测试点的,所以有时候明明判断故障点没有错,但是测不出故障点,盲目更换,费时费力不说,还可能扩大故障范围。

上面的方法只能用于粗测,最佳的方法则是拆掉DDR,这样就可以精确的进行测量,下面为大家提供一个DDR3印制板测试点,当然这也会涉及到DDR焊接问题,可以参考前文智能电视机主板BGA芯片焊接技巧(一)智能电视机主板BGA芯片焊接技巧(二).
图片11.png

从上图可以看到DDR每一个点,也就是说在测量的时候,所有的供电端测量值必须一致,两个基准参考点测量值必须一致,A0-A15这16条地址线测量值必须一致,DQ0-DQ15这16条数据线测量值必须一致,所有信号线测量值都不能有太大偏差,唯有ZQ这个点外接240欧电阻,测量值在200多,这种测量判断方法可以应用到所有智能机主板。

MTK的判断方法会更清晰一点,看过透过故障打印信息看本质(长虹ZLM61机芯板DDR故障简析)一文,就会对MTK的DDR部分判断和维修有一个清晰的认识,在MTK方案4片DDR中,会分出A通道和B通道,对应Mstar芯片方案的BIST0和BIST1。

RTD芯片方案的DDR判断会更简单一些,以RTD2995为例,DDR分布在芯片的顶部和左侧,常见故障现象开机无打印几秒后显示下图的打印信息。
图片12.png

由于RTD芯片方案开机是没有初始化DDR这一步的,这个情况有可能是引导自身故障,也有可能是顶部DDR部分的故障,如果发现引导烧录不成功,那么就需要检查芯片顶部的DDR部分,检修方法跟Mstar方案一样,如果是芯片左侧的DDR出故障,是不影响开机的,故障会是卡LOGO,控制台命令可以对DDR部分进行检测,快速锁定故障部位,这个我们下一章控制台命令解析来聊这个话题。

微信扫一扫下方的二维码,关注iFix官方公众号,及时获取最新的精品维修教程!
微信扫一扫下方的二维码,关注iFix官方公众号,及时获取最新的精品维修教程!.jpg

回复

使用道具 举报

发表于: 2018-1-9 13:38:40
| 显示全部楼层

太好了,收藏起来 学习一下......
回复 支持 反对

使用道具 举报

发表于: 2018-1-9 17:02:11
| 显示全部楼层
iFix团队有你更精彩,维修行业有了新希望!
回复 支持 反对

使用道具 举报

发表于: 2018-1-10 16:37:23
| 显示全部楼层
好资料,怎么下下来学习学习。
回复 支持 反对

使用道具 举报

发表于: 2018-1-15 13:49:48
| 显示全部楼层
dddddddddddddddd
回复 支持 反对

使用道具 举报

发表于: 2018-1-17 23:06:35
| 显示全部楼层
Thank you for your lesson.
回复 支持 反对

使用道具 举报

您需要登录后才可以回帖 登录 | 注册

本版积分规则

QQ|||iFix 爱修网 ( 粤ICP备2021135374号 )

粤公网安备 44060602002064号

GMT+8, 2026-3-23 08:41 , Processed in 0.055322 sec., 13 queries .

Powered by Discuz! X3.4

Release 20191201, © 2001-2026 Comsenz Inc.

MultiLingual version, Rev. 850, © 2009-2026 codersclub.org

快速回复 返回顶部 返回列表