| |

iFix 爱修网

 找回密码
 注册

QQ登录

只需一步,快速开始

查看: 2102|回复: 6

OneNAND 东芝计划帮助

[复制链接]
发表于: 2020-10-7 17:37:48
| 显示全部楼层 |阅读模式
Edited by davygarg at 2020-10-7 17:42

嗨,师父,我想阅读RT809H的写tc58rym9s8ebaib我已经尝试过NAND_AUTO模式,但是它不起作用,并且该设备不在列表中。任何帮助将不胜感激
WIN_20201007_15_11_09_Pro.jpg
WIN_20201007_15_11_32_Pro.jpg
回复

使用道具 举报

发表于: 2020-10-7 19:04:07
| 显示全部楼层
Please provide the data sheet. Thank you.
回复 支持 反对

使用道具 举报

 楼主| 发表于: 2020-10-8 14:01:11
| 显示全部楼层
Thanks for reply Master.
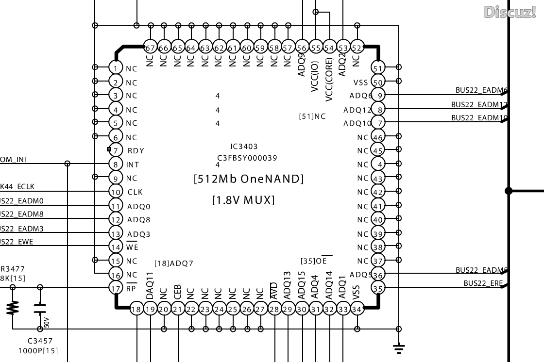
I dont have access to datasheet, but i have pinout from the schematic of this IC , if it will be helpful.
Attached Pinout.
ONENAND.png
回复 支持 反对

使用道具 举报

发表于: 2020-10-8 16:32:10
| 显示全部楼层
davygarg 2020-10-8 14:01
Thanks for reply Master.
I dont have access to datasheet, but i have pinout from the schematic of th ...

We cannot buy the sample of this model, nor do we have the datasheet, so we cannot help you temporarily.
回复 支持 反对

使用道具 举报

 楼主| 发表于: 2020-10-8 21:17:16
| 显示全部楼层
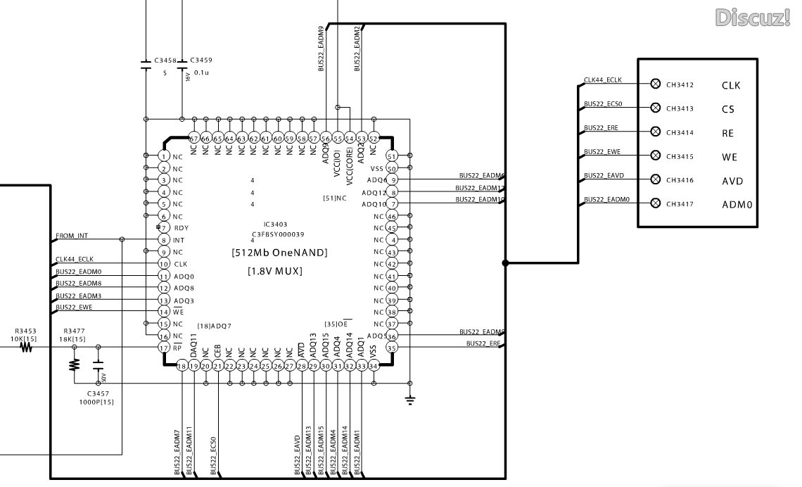
Thanks for the time Master.
Attaching the same picture again but it has some more information that can be useful. Pinouts.
I am trying to arrange datasheet and will upload if possible for me to arrange.
Screenshot_1.png
回复 支持 反对

使用道具 举报

发表于: 2020-10-11 13:46:44
| 显示全部楼层
Are you read and write online or offline, speaking, reading and writing?
回复 支持 反对

使用道具 举报

 楼主| 发表于: 2020-10-13 21:11:11
| 显示全部楼层
I am reading offline with BGA63 Adaptor
回复 支持 反对

使用道具 举报

您需要登录后才可以回帖 登录 | 注册

本版积分规则

QQ|||iFix 爱修网 ( 粤ICP备2021135374号 )

粤公网安备 44060602002064号

GMT+8, 2026-3-23 05:14 , Processed in 0.057954 sec., 13 queries .

Powered by Discuz! X3.4

Release 20191201, © 2001-2026 Comsenz Inc.

MultiLingual version, Rev. 850, © 2009-2026 codersclub.org

快速回复 返回顶部 返回列表